Skip to main content
Til toppen

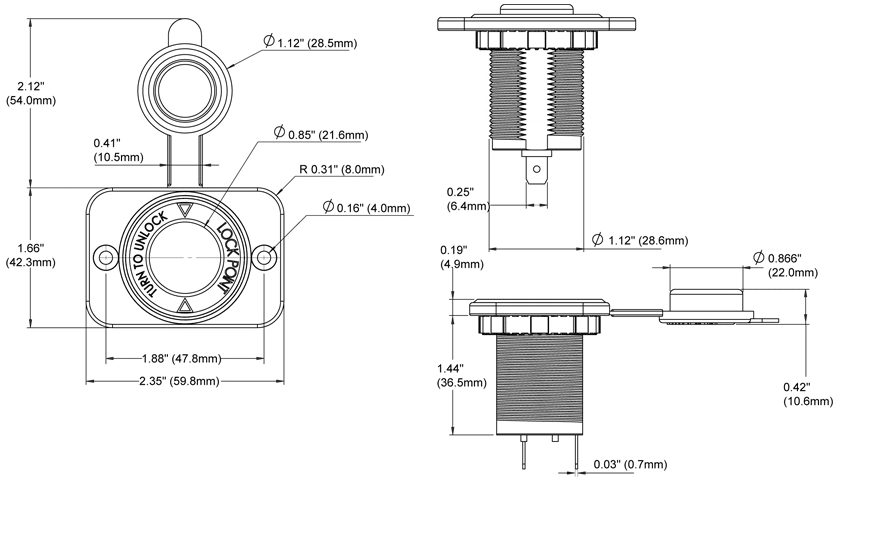
Dobbelt USB-uttak

Produsert i korrrosjonsbestandig materiale som sikrer god kontakt og lavt spenningsfall.

  • Passer i samme hull som et standard 12V uttak (28,58 mm utskjæring)
  • Kompatibel med de fleste mobiltelefoner inkludert Apple
  • Beskyttelseskappe
  • Marineversjon med lakkert kretskort
  • 2,1A totalt
  • Beskyttet mot feil polaritet, kortslutning og overbelastning

Spesifikasjoner

Inngangsspenning: 12/24V
Utgangsspenning: 5V
Utgangseffekt: 2,1A totalt
Vekt: 50 gram
Sikring: 2A (følger ikke med)

Blue Sea USB kontakt dobbel 12V 2,1A

  • 2,1A
  • Standard utskjæringsmål
  • Lakkert kretskort
1016-BSS
EAN: 50632085010169
Lager nettbutikk:
Varenr.: 10036-58
BlueSea Systems
inkl. mva.

Lenker
Min side